
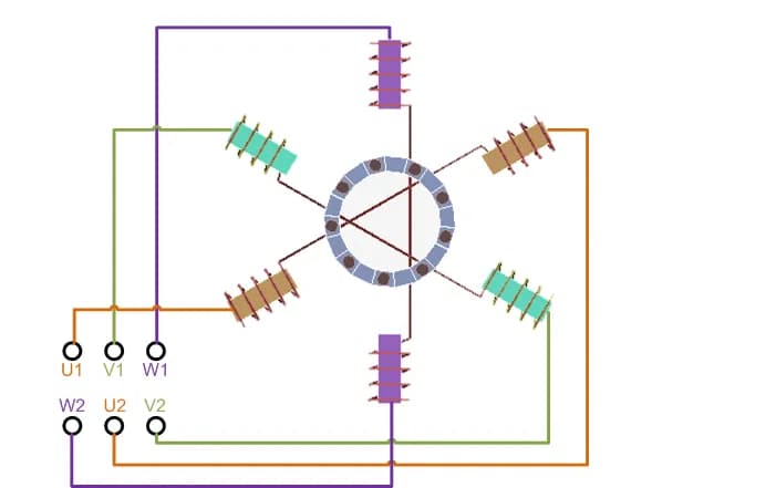
Jak zrobić silnik elektryczny: Prosty projekt krok po kroku
Naucz się jak zrobić silnik elektryczny w prosty sposób. Szczegółowa instrukcja montażu krok po kroku, lista potrzebnych materiałów oraz wskazówki dotyczące bezpiecznej konstrukcji silnika w domu.