Podłączenie silnika trójfazowego 400V to proces wymagający odpowiedniej wiedzy i przestrzegania zasad bezpieczeństwa. Instalacja takiego silnika nie jest skomplikowana, ale wymaga szczególnej uwagi. Prawidłowe podłączenie gwarantuje bezpieczną i wydajną pracę urządzenia. Proces ten składa się z kilku kluczowych etapów, które należy wykonać w odpowiedniej kolejności. Bezpieczeństwo podczas instalacji jest priorytetem.
Najważniejsze informacje:- Przed rozpoczęciem prac należy bezwzględnie odłączyć zasilanie
- Silnik można podłączyć w dwóch konfiguracjach: gwiazda (Y) lub trójkąt (Δ)
- Do instalacji potrzebne są 3 przewody fazowe (L1, L2, L3) oraz przewód ochronny (PE)
- Konieczne jest używanie odpowiednich narzędzi i środków ochrony osobistej
- Kolejność podłączenia faz ma kluczowe znaczenie dla prawidłowej pracy silnika
- Wszystkie połączenia muszą być solidne i dobrze zaizolowane
- Po instalacji wymagane jest sprawdzenie poprawności działania urządzenia
Wymagane narzędzia i uprawnienia do podłączenia silnika
Do podłączenia silnika 3 fazowego 400V niezbędne są uprawnienia SEP grupy E1. Dokument ten potwierdza kwalifikacje do obsługi i konserwacji urządzeń elektrycznych o napięciu do 1kV. Uprawnienia należy odnawiać co 5 lat poprzez zdanie egzaminu przed komisją kwalifikacyjną.
- Miernik uniwersalny z funkcją pomiaru napięcia 400V
- Zestaw izolowanych śrubokrętów
- Zestaw kluczy płaskich i nasadowych
- Szczypce do ściągania izolacji
- Zaciski i tulejki kablowe
- Taśma izolacyjna
- Rękawice dielektryczne
- Okulary ochronne
Podczas instalacji silnika trójfazowego bezwzględnie należy stosować środki ochrony osobistej. Praca z napięciem 400V wymaga szczególnej ostrożności i przestrzegania zasad BHP.
Przygotowanie do montażu silnika 3-fazowego
Montaż silnika trójfazowego krok po kroku rozpoczyna się od weryfikacji parametrów technicznych. Należy sprawdzić tabliczkę znamionową i porównać dane z dokumentacją techniczną. Upewnij się, że silnik jest odpowiedni do planowanego zastosowania.
Miejsce montażu musi zapewniać odpowiednią wentylację i dostęp serwisowy. Sprawdź stabilność podłoża i możliwość solidnego zamocowania silnika.
| Parametr | Wartość | 
| Napięcie zasilania | 400V | 
| Moc znamionowa | 5.5 kW | 
| Prąd znamionowy | 11.3 A | 
| Obroty nominalne | 1450 obr/min | 
Przygotuj stanowisko pracy, usuwając wszystkie zbędne przedmioty. Zapewnij dobre oświetlenie i dostęp do narzędzi. Rozłóż matę izolacyjną na podłożu.
Czytaj więcej: Ile oleju do silnika? Kompletna tabela dla różnych pojazdów
Podłączenie silnika krok po kroku
Wyłączenie zasilania i zabezpieczenie
Przed rozpoczęciem podłączenia silnika 3 fazowego do instalacji wyłącz główne zasilanie w rozdzielnicy. Sprawdź miernikiem brak napięcia na wszystkich przewodach fazowych. Zabezpiecz rozdzielnicę przed przypadkowym włączeniem poprzez założenie kłódki i oznaczenia "Nie włączać".
Oznacz miejsce pracy taśmą ostrzegawczą. Upewnij się, że wszystkie osoby w pobliżu wiedzą o prowadzonych pracach elektrycznych.
Identyfikacja i podłączenie przewodów
W instalacji silnika 400V schemat oznaczenia przewodów jest kluczowy. Przewody fazowe oznaczane są jako L1 (brązowy), L2 (czarny), L3 (szary), a przewód ochronny PE (żółto-zielony).
Sprawdź stan izolacji wszystkich przewodów. Upewnij się, że przekrój przewodów jest odpowiedni do mocy silnika. Zaciski w puszce przyłączeniowej muszą być dokręcone z odpowiednim momentem.
- Zdejmij pokrywę puszki przyłączeniowej
- Wprowadź przewody przez dławnicę
- Podłącz przewód ochronny PE do zacisku oznaczonego symbolem uziemienia
- Podłącz przewody fazowe do odpowiednich zacisków
- Dokręć wszystkie połączenia zgodnie z zalecanym momentem
Konfiguracje połączeń silnika trójfazowego
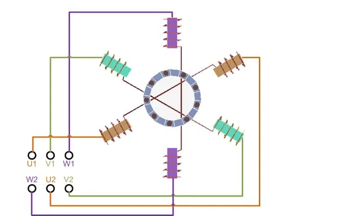
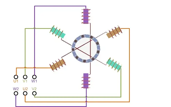
Połączenie w gwiazdę (Y)
Jak zainstalować silnik trójfazowy w układzie gwiazdy? To podstawowa konfiguracja przy rozruchu. Napięcie na uzwojeniach wynosi 230V, co zmniejsza prąd rozruchowy. Układ gwiazdy stosuje się w maszynach o małym obciążeniu początkowym.
Połączenie w gwiazdę charakteryzuje się mniejszą mocą, ale łagodniejszym rozruchem. Jest zalecane dla maszyn pracujących przy stałym, niewielkim obciążeniu.
Aby wykonać podłączenie zasilania do silnika 3 fazowego w gwiazdę, połącz końce uzwojeń U2, V2, W2 ze sobą. Początki uzwojeń U1, V1, W1 podłącz do odpowiednich faz zasilania.
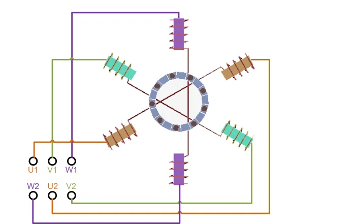
Połączenie w trójkąt (Δ)
Konfiguracja trójkąta zapewnia pełną moc silnika. Napięcie na uzwojeniach wynosi 400V, co przekłada się na większy moment obrotowy. Jest to typowe połączenie dla maszyn pracujących pod pełnym obciążeniem.
Schemat podłączenia silnika 3 fazowego 400V w trójkąt wymaga precyzji. Końce uzwojeń łączy się z początkami kolejnych faz, tworząc zamknięty obwód. Ta konfiguracja jest optymalna dla większości zastosowań przemysłowych.
Połącz koniec pierwszego uzwojenia (U2) z początkiem drugiego (V1), koniec drugiego (V2) z początkiem trzeciego (W1), oraz koniec trzeciego (W2) z początkiem pierwszego (U1). Przewody zasilające podłącz do punktów połączeń między uzwojeniami.
Pierwsze uruchomienie silnika
Po zakończeniu podłączenia silnika 3 fazowego 400V należy przeprowadzić procedurę pierwszego uruchomienia. Zacznij od wizualnej kontroli wszystkich połączeń. Sprawdź, czy silnik może się swobodnie obracać.
Włącz zasilanie i nasłuchuj nietypowych dźwięków. Silnik powinien pracować płynnie, bez wibracji i przegrzewania się. Zmierz pobór prądu na wszystkich fazach.
Obserwuj pracę silnika przez minimum 30 minut. W tym czasie monitoruj temperaturę obudowy i łożysk. Jeśli wszystko działa prawidłowo, możesz rozpocząć normalną eksploatację.
| Parametr kontrolny | Wartość prawidłowa | 
| Prąd rozruchowy | Max 7x prąd znamionowy | 
| Prąd pracy | ≤ prąd znamionowy | 
| Temperatura obudowy | Max 70°C | 
| Drgania | < 4.5 mm/s | 
Typowe problemy przy podłączaniu
Najczęstszym błędem przy montażu silnika trójfazowego jest nieprawidłowa kolejność faz. Skutkuje to obrotami w przeciwnym kierunku. Rozwiązaniem jest zamiana dowolnych dwóch przewodów fazowych.
Drugim częstym problemem jest złe dokręcenie zacisków. Luźne połączenia prowadzą do iskrzenia i przegrzewania się styków. Zawsze używaj klucza dynamometrycznego do dokręcania połączeń.
Nieprawidłowe połączenie w układzie gwiazda/trójkąt może prowadzić do uszkodzenia silnika. Przed uruchomieniem dokładnie sprawdź schemat połączeń i oznaczenia na listwie zaciskowej.
W przypadku wystąpienia problemów, najpierw sprawdź napięcie zasilania i pobór prądu. Następnie skontroluj połączenia mechaniczne i elektryczne. Jeśli problem się utrzymuje, skonsultuj się z elektrykiem z uprawnieniami.
Konserwacja i przeglądy techniczne
Regularny przegląd silnika 3 fazowego to podstawa bezawaryjnej pracy. Co kwartał sprawdzaj stan połączeń elektrycznych i dokręcenie śrub mocujących. Co pół roku wykonuj pomiary rezystancji izolacji uzwojeń.
W ramach konserwacji czyść obudowę silnika z kurzu i zabrudzeń. Sprawdzaj stan łożysk i poziom drgań. Dokumentuj wszystkie czynności serwisowe w książce eksploatacji.
Do typowych czynności konserwacyjnych należy smarowanie łożysk zgodnie z zaleceniami producenta. Sprawdzaj również stan wentylatora chłodzącego i czystość otworów wentylacyjnych. Wymieniaj zużyte elementy tylko na oryginalne części zamienne.
Co musisz wiedzieć o instalacji silnika trójfazowego?
Podłączenie silnika 3 fazowego 400V to zadanie wymagające odpowiednich kwalifikacji i przestrzegania procedur bezpieczeństwa. Kluczowe jest posiadanie uprawnień SEP oraz stosowanie właściwych narzędzi i środków ochrony osobistej. Prawidłowa instalacja zaczyna się od dokładnego sprawdzenia parametrów technicznych i przygotowania miejsca montażu.
Wybór odpowiedniej konfiguracji połączeń (gwiazda lub trójkąt) ma zasadnicze znaczenie dla efektywności pracy silnika. Układ gwiazdy sprawdza się przy rozruchu i małych obciążeniach, podczas gdy połączenie w trójkąt zapewnia pełną moc i jest preferowane przy normalnej pracy. Montaż silnika trójfazowego krok po kroku wymaga szczególnej uwagi przy identyfikacji i podłączaniu przewodów oraz pierwszym uruchomieniu.
Regularne przeglądy i konserwacja to gwarancja długiej i bezawaryjnej pracy silnika. Przestrzeganie harmonogramu przeglądów, kontrola połączeń oraz monitorowanie parametrów pracy pozwolą uniknąć kosztownych awarii i przestojów. W razie problemów zawsze warto skonsultować się z wykwalifikowanym elektrykiem, by uniknąć potencjalnych uszkodzeń sprzętu.






