
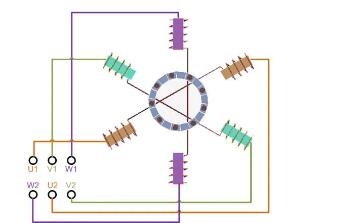
Dowiedz się jak podłączyć silnik 3 fazowy 400V z naszym praktycznym poradnikiem. Bezpieczny montaż krok po kroku, schematy połączeń i najważniejsze wskazówki dla elektryków.
Cześć, nazywam się Michał Nowak i jestem twórcą portalu, który łączy pasję do technologii, motorsportu, ekologii i klasycznych oraz nowoczesnych pojazdów. Jako entuzjasta innowacji i wielbiciel motoryzacyjnych emocji, łączę wiedzę o elektrykach, akcesoriach i klasykach z głębokim zainteresowaniem ekologicznymi rozwiązaniami. Na moim portalu znajdziesz porady, analizy i nowinki, które pomogą Ci zrozumieć świat pojazdów i technologii z perspektywy przyszłości oraz tradycji. Dołącz do mnie w tej fascynującej podróży!
Dowiedz się jak podłączyć silnik 3 fazowy 400V z naszym praktycznym poradnikiem. Bezpieczny montaż krok po kroku, schematy połączeń i najważniejsze wskazówki dla elektryków.
Poznaj silnik 1.9 DDIS - jego charakterystykę, zalety i wady. Sprawdź, jakie osiągi oferuje ta jednostka napędowa i w jakich modelach Suzuki była stosowana. Rzetelne dane techniczne i opinie.
Poznaj 5 najlepszych silników benzynowych na rynku. Porównujemy moc, ekonomię i niezawodność. Dowiedz się, który silnik benzynowy najlepiej sprawdzi się w Twoim samochodzie.
Dowiedz się jak podłączyć silnik od pralki samodzielnie i bezpiecznie. Szczegółowe schematy dla różnych typów przewodów, wskazówki montażu i najczęstsze błędy. Sprawdź zanim zaczniesz!
Pełna tabela ciśnień w oponach rolniczych dla różnych modeli i obciążeń. Dowiedz się, jakie ciśnienie ustawić w oponach swojego ciągnika w zależności od warunków pracy i obciążenia.
Szukasz najlepszego silnika do Ford Fiesta MK7? Sprawdź szczegółowe porównanie jednostek benzynowych i diesla, poznaj ich osiągi, awaryjność oraz koszty eksploatacji. Pomożemy w wyborze!
Szukasz idealnego silnika do Golfa 6? Porównamy wszystkie jednostki benzynowe i diesla. Sprawdzone opinie, typowe usterki i koszty eksploatacji pomogą Ci wybrać najlepszy silnik.
Poznaj silnik mini 1.6 diesel - specyfikację, parametry techniczne i typowe usterki. Sprawdź warianty mocy, średnie spalanie oraz opinie użytkowników o tej jednostce napędowej.
Dobierz idealne opony do felg za pomocą naszego kalkulatora online. Sprawdź wymiary, znajdź zamienniki i zapewnij bezpieczeństwo swojemu pojazdowi. Skorzystaj z prostego narzędzia już teraz!
Zastanawiasz się czy wybrać oponę drutową czy zwijaną? Porównaj wady i zalety obu rozwiązań, poznaj różnice w budowie i dowiedz się, która opcja najlepiej sprawdzi się w Twoim stylu jazdy.