
Jak bezpiecznie podłączyć silnik 3-fazowy 400V: 5 kluczowych kroków
Dowiedz się jak podłączyć silnik 3 fazowy 400V z naszym praktycznym poradnikiem. Bezpieczny montaż krok po kroku, schematy połączeń i najważniejsze wskazówki dla elektryków.

Dowiedz się jak podłączyć silnik 3 fazowy 400V z naszym praktycznym poradnikiem. Bezpieczny montaż krok po kroku, schematy połączeń i najważniejsze wskazówki dla elektryków.

Dowiedz się jak podłączyć silnik od pralki samodzielnie i bezpiecznie. Szczegółowe schematy dla różnych typów przewodów, wskazówki montażu i najczęstsze błędy. Sprawdź zanim zaczniesz!

Poznaj silnik mini 1.6 diesel - specyfikację, parametry techniczne i typowe usterki. Sprawdź warianty mocy, średnie spalanie oraz opinie użytkowników o tej jednostce napędowej.

Dowiedz się jak podłączyć silnik od pralki 6 przewodów krok po kroku. Szczegółowy schemat instalacji, opis kolorów przewodów i bezpieczne podłączenie kondensatora. Profesjonalne wskazówki.

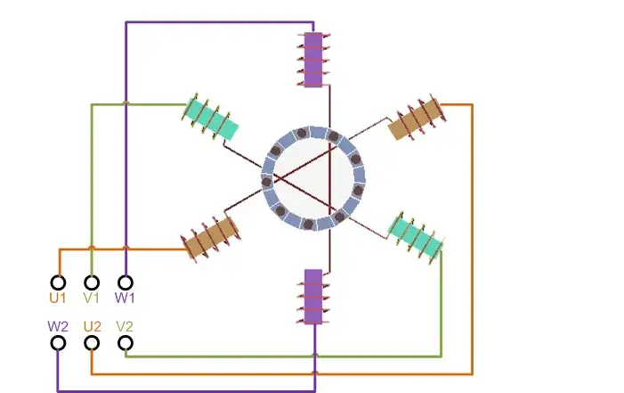
Dowiedz się, jak bezpiecznie podłączyć silnik trójfazowy krok po kroku. Poznaj różnice między połączeniem w gwiazdę i trójkąt oraz wskazówki dotyczące instalacji i konserwacji.

Poznaj zalety żarówek LED z homologacją i dowiedz się, jak wybrać najlepsze do swojego auta. Sprawdź popularne marki, miejsca zakupu i zasady instalacji ledowych żarówek samochodowych.

Sprawdź, jaki silnik BMW serii 1 jest najmniej awaryjny. Porównanie jednostek benzynowych i diesla, koszty eksploatacji oraz opinie ekspertów. Praktyczny ranking niezawodności.

Poznaj najskuteczniejsze metody i narzędzia do cięcia opon. Dowiedz się, czym przeciąć oponę bezpiecznie i efektywnie. Praktyczne wskazówki dla początkujących i zaawansowanych.

Szukasz opinii o oponach letnich na forum? Sprawdź ranking 8 najlepszych marek opon według doświadczonych kierowców. Poznaj realne opinie, testy i porównanie cen popularnych modeli.

Poznaj prawidłowe ciśnienie w oponach 16 cali dla bezpiecznej jazdy. Sprawdź, ile barów powinno być w kołach 16 cali z przodu i z tyłu. Zadbaj o swoje bezpieczeństwo na drodze!